A-440 Frequency Standard


This circuit may be used as a highly-accurate sine-wave frequency standard for tuning musical instruments to the 440Hz "A" pitch. It's accuracy is derived from an inexpensive, readily-available 5.0688MHz quartz crystal. This is one of the very few "standard" crystal frequencies commonly offered by manufacturers that can be conveniently divided by a whole number (11520) to produce exactly 440 Hertz. (Crystal frequencies 11MHz and 22MHz are also common.)

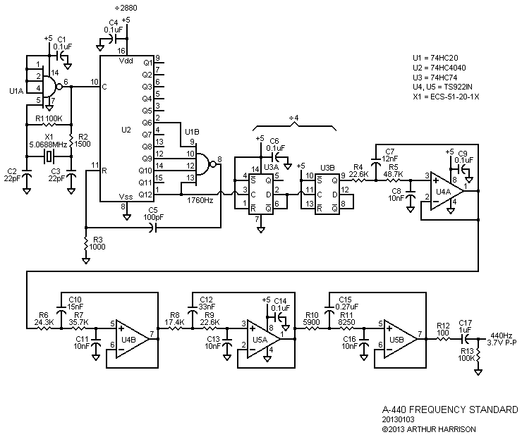
The crystal, X1, is part of a Pierce oscillator comprised of one-half of a dual 4-input NAND gate, serving as an inverter. Capacitors C2 and C3 are typical values that satisfy X1's 20pF parallel-loading specification. Note that some of X1's capacitive loading is also contributed by U1's input and output capacitance, as well as by "stray" lay-out capacitance. The specified crystal has an accuracy of +/-30PPM that will result in an output range between 439.9868Hz and 440.0132Hz. This may be trimmed closer to the optimal 440Hz by adjusting the value of C3. Note that R2's value is selected to be approximately equal to the capacitive reactance of C3 at 5.0688MHz.

The crystal's frequency is divided by 11520 by ICs U2 and U3, with the second half of IC U1 used as a coincidence detector to reset the U2 counter each time it reaches a count of 5760. Normally, the reset would be provided by an AND function, but by using the second section of the dual 4-input NAND IC, an additional AND IC is eliminated. This comes at the cost of a differentiator, comprised of R3 and C5. If a 4-input AND gate is otherwise available, remove R3, replace C5 with a short, and move U1B's pin 9 to U2's pin 4. Following U2's division by 2880, a division of 4 is provided by cascaded flip-flops U3A and U3B, which also provide the desirable 50 percent duty cycle square-wave for the U4-U5 filter.

U4 and U5 form a four-stage Sallen-Key, eighth-order Butterworth low-pass filter that converts the 440Hz square wave at U3 pin 9 into a clean sine wave that exhibits a third-harmonic attenuation of 75dB. Resistors R4 through R11 and capacitors C7, 8, 10, 11, 12, 13, 15 and 16 should have +/-1% accuracy, however, +/-5% capacitors will also be sufficient. The filter resistors are metal film types, and the capacitors metalized plastic film types.

Bypass capacitors C1, 4, 6, 9, and 14 are X7R-dielectric ceramic types. Differentiator capacitor C5 is an NP0-dielectric ceramic type. DC blocking capacitor C17 is a metalized plastic film type. R1, 2, 3, 12, and 13 are +/-5% carbon film types.

A regulated 5V supply is recommended. A 6 to 9V battery with a 5V low-dropout regulator, such as the Texas Instruments type LP2950CZ-5.0/NOPB, may be used to provide a convenient means of power. The circuit uses about 8mA of current.

A reduction in the circuit's complexity would be possible if a crystal with a frequency divisible by a binary-multiple integer was readily available. A crystal with a frequency of 3.604480MHz, for example, would be easily applied to a circuit using the type SN74HC4060 IC. The SN74HC4060 combines an oscillator stage with a counter that provides a division of 213 (8192). 3.604480MHz divided by 8192 produces exactly 440Hz, so such a scheme would provide considerable circuit simplification by replacing U1, U2, and U3 with a single IC. Unfortunately, there has not been enough demand for A-440 frequency standards to make such a crystal available from distributor stock, which otherwise may require a 1000-piece minimum purchase at about $0.50 each. In conclusion, this circuit provides a highly-economical means for producing an A-440 reference at low cost (less than $15 for the components).


January 13, 2013

Text and image ©2013 by Arthur Harrison


Back to the Circuit Library Index
Back to the Opening Page of Art's Theremin Page