The 126 Vacuum Tube Theremin
Published August 23, 2002
Updated April 2, 2022
Legal
Notice
Safety Notices
Acknowledgments
Introduction
Circuit
Description
Schematics
Construction
Test Voltages
Photos
Parts Tables
Drawing Index
Parts Shortage
The X1 Crystal, L1,L2 and L3 coils and C5 and 24 variable capacitors are depleted.
Update Notice
This
version of the 126 Vacuum Tube
Theremin consolidates previously-published editions.
The author is delighted that the 126 has enjoyed
such unprecedented, long-term attention,
resulting in the construction of dozens of instruments since its
original publication, 20 years ago.
Please feel free to contact me, should you need documentation from previous editions of this article.
About Cost
I receive many inquiries asking about the cost of
this project. Unfortunate circumstances due to the
2019 pandemic and
the ensuing impact on parts availability and prices along with outright price gouging
among many manufacturers and distributors have caused an unprecedented
increase. For informational
purposes, I have included costs in the last column of the Parts Tables. Some items, such as wire, are
especially expensive, and as a compromise, I have left separate
line-item pricing for hook-up wire
colors other than black out of the cost. This will alter the construction methods to some degree.
As of this update on April 2, 2022, the total Parts Tables items cost is $1149.05.
On a related topic, many inquiries regard the commercial availability of the 126 theremin from
Harrison Instruments, Inc. as a finished product. It is presently not available as a finished product
and will not be available until a sufficient order is made which would justify the production costs
For this type of instrument, this would involve a minimum of 100 units.
Notice to Builders Outside the United States
To assist builders outside the United
States, items C5 and C24 (variable
capacitors), L1, L2, L3 (coils),
and X1 (ceramic filter) are available as a kit from eBay as item 201981928615.
Builders within the United States should order these items from Harrison Instruments.
Spot an error? (technical, grammatical, or speling)
Please send me an e-mail!
Legal
Notice
(back
to contents)
Legal Notice and Agreement By using this website or related linked websites, including website design, HTML code, sound files, and/or images, hereafter referred to as the CONTENT, you, the USER, consents to the following agreement. Copyright Notification: ©2021 by Arthur Harrison. All rights reserved. The CONTENT is the exclusive property of Arthur Harrison, hereafter referred to as the PROVIDER. The CONTENT is provided for non-commercial use only. The CONTENT may not, under any circumstances, be cached for optimization, retransmitted, copied by electronic or mechanical means, incorporated in other media, or conveyed to third parties by electronic or mechanical means, without the explicit written permission of the PROVIDER, in which case, the PROVIDER shall be acknowledged as the copyright holder and author. Use of the CONTENT for the manufacture and/or sale of products is strictly prohibited. No license is granted to the USER for the CONTENT to be used for any form of sale of goods, profit, or commercialization, unless provided for in a separate license agreement negotiated between the prospective USER, and the PROVIDER, and their respective attorneys. Refer licensing inquiries to: diy@harrisoninstruments.com. The PROVIDER assumes no liability for any damages, direct, or consequential, which may arise from the dissemination, application, or misapplication of the CONTENT. The USER of this website assumes all responsibility for any damages, direct or consequential, which may arise from its use. The PROVIDER retains the right to alter the content within this site at any time, without notice. THESE TERMS ARE PROTECTED BY INTERNATIONAL LAW. VIOLATORS WILL BE PROSECUTED. |
.
Safety
Notices
(back
to contents)
The
circuit described in this article uses AC mains voltage and other high
voltages that can cause injury or death. It is the responsibility of
the user of this circuit to be familiar with all applicable safety
practices regarding its construction, testing, and use.
Some
parts used in this circuit only function properly when inserted in the
right direction. Always verify the orientation of polarized capacitors,
diodes, rectifiers, transformers and vacuum tubes before applying power
to them. Do not use a part that has been subjected to improper
insertion.
The
vacuum tubes in this circuit become hot and can cause burns.
Wear safety glasses and use all appropriate safety equipment when working with tools and materials. Always follow safe shop practices and obey safety rules.
Regarding the safety of your ears and hearing:
This circuit is recommended for users familiar with electronic theory and construction practices. It is recommended that suitable test equipment, including a frequency counter and oscilloscope, are available for making measurements.
Acknowledgments
(back
to contents)
I express my sincere thanks to John Speulstra and Rick Hansen for their assistance in refreshing my knowledge of vacuum-tube techniques, and also to Steven Hasten for providing me with the incentive to pursue this design, and his construction efforts in verifying its performance. I also express my sincere thanks to Chris Fazi and Roger Kaul for assisting in the analysis of the volume control circuit design.
Introduction
(back
to contents)
This is my second vacuum-tube theremin design, which is an expansion of its predecessor, the pitch-only 125 theremin. The 126 theremin has both pitch and volume features, as well as a tone control.
As in the 125 theremin, I have designed the 126 entirely with the popular 12AU7 vacuum tube. The pitch section consists of the classical two-oscillator heterodyne configuration, and the volume section employs a slope-detection method, with a ceramic filter. The ceramic filter provides the high selectivity required for the small frequency changes induced by hand capacitance, replacing the elaborate and costly inductor-type circuits usually used for this purpose. As with the 125 theremin, exceptional frequency stability for temperature variation is achieved, both in the pitch and volume sections.
The 126 theremin is designed with a plate-antenna configuration, capitalizing on the hand-to-plate coupling efficiency offered by this method. As with most of my dual-parameter theremins, two horizontal 8-inch by 5 1/2-inch rectangular antennas, extending from each side of the instrument, provide the gestural interface. The 126 theremin exhibits at least 5 octaves of pitch variation over a sensing distance of about 18 inches, and at least 45dB of dynamic volume range (closer-for-louder mode), over a sensing distance of about 10 inches, as illustrated in the following graphs:


126
Theremin Demonstration
©1958, Sammy Fain, Paul Webster
Circuit
Description
(back
to contents)
Vacuum tube V1A and its associated components form a Colpitts oscillator that includes hand capacitance, via antenna A1, as a frequency determinant. 455 kHz ceramic filter X1, driven by the oscillator via C7, performs the function of a frequency-slope detector. With the hand away from the antenna, the oscillator frequency is at resonance with X1, and the greatest amplitude sine wave is present at X1's output. As the hand approaches the antenna, the oscillator diminishes in frequency, resulting in a diminished amplitude at X1's output. Note that the center frequency of the ceramic filter is 455 kHz when used in a radio receiver with a specific intermediate-frequency transformer. However, in this application, the filter is less "loaded," and will exhibit a center frequency of about 458.5 kHz. The use of such a filter is particularly efficient in the design, since it permits a very low component count.
V1B amplifies the sine wave at X1's output, as well as providing impedance matching between X1 and the following circuit. The output of V1B is AC-coupled through C9 to V2A, a diode-configured triode used as a DC restorer, that establishes the bottom of the voltage waveform at about zero volts. As a result, the volume hand's proximity controls the positive-peak amplitude of the sine wave present at the grid and plate of V2B, a second diode-connected triode, which, in conjunction with C10 and R7, provides a DC voltage level corresponding to the peak value of the V2A sine wave. As the hand nears the antenna, the positive DC voltage at V2B's cathode diminishes.
This
DC voltage level is applied to the grid of V3A via R8. Also applied to
V3A's grid is the audio pitch waveform, via DC blocking capacitor C11.
The resulting amplitude of the audio pitch waveform at V3A's cathode
depends on the value of the DC voltage level from V2B, since V3A's
conductance varies in accordance with that level.
Next, the signal is applied from V3A's cathode to V3B's cathode.
V3B's grid
has a switch-selected condition for either ground, or about +4.1 volts,
via
voltage divider R30 / R31. This provides a means to select V3B's
operating point, allowing
either volume response. Note
that each section of V3, for most combinations of volume mode and hand
distance, have their cathode potentials above the grids. This
configuration provides a unconventional, but efficient, circuit solution. The following chart indicates V3 voltages.
Measurements were made with B+ = 45 VDC, and a tone frequency of 440
Hz. AC voltages are peak-to-peak.
| VOLUME MODE |
HAND DISTANCE |
V3A PLATE |
V3A GRID |
V3A, B CATHODE |
V3B GRID |
V3B PLATE |
| CFL |
12" |
40 VDC |
3.6 VDC & 580 mVAC |
3.3 VDC & 500 mVAC |
0 VDC |
40 VDC & 2 mVAC |
| CFL |
1" |
41 DCV |
380 mVDC & 580 mVAC |
2.9 VDC & 340 mVAC |
0 VDC |
41 VDC & 500 mVAC |
| CFS |
12" |
39.5 DCV |
3.6 VDC & 580 mVAC |
5.3 VDC & 150 mVAC |
4.1 VDC |
34.5 VDC & 650 mVAC |
| CFS |
1" |
39.5 DCV |
380 mVDC & 580 mVAC |
5.2 VDC & 5 mVAC |
4.1 VDC | 34.5 VDC & 2 mVAC |
The pitch circuit is shown on schematic page 2, below. V4 and associated components form a Colpitts oscillator that includes hand capacitance, via antenna A2, as a frequency determinant. Another oscillator, comprised of V6 and associated components, is the reference oscillator. The oscillators employ cathode-follower sections, V4A and V6A, to buffer their resonant networks from loading effects and to provide low impedance outputs. V5B is used as a mixer, with the pitch variable oscillator signal applied to its grid via capacitor C19, and the pitch reference oscillator signal applied to its cathode via resistor R21.
With tone-control potentiometer, RV1, in the extreme counterclockwise position, the reference oscillator output is coupled to the mixer via C28. Electrical coupling between the two oscillators occurs because the signal at V5B's cathode includes the signal present at it's grid. This signal, from the variable oscillator, is reflected back into the reference oscillator, via V6A's cathode. Under this condition, the maximum amount of oscillator coupling produces the greatest amount of harmonic content in the audio waveform.
With RV1 in the extreme clockwise position, the reference oscillator's output is isolated from the mixer via V5A. In this condition, the mixer's cathode signal has less influence on the reference oscillator, because it is attenuated by RV1's 50 kohm resistance. As a result, the harmonic content of the audio waveform is comparatively reduced.
The heterodyne of the two oscillator frequencies is present at V5B's plate. Two sections of low-pass filtering reduce the sum frequency product; C21 in conjunction with V5B's plate-circuit resistance, and R22 with C22.
The oscillator frequencies are described by the following equation:
For the volume oscillator, L is 1 mH, Ca is 330 pF, Cb is 100 pF, and Cc is the sum of C5, C6, and the A1 antenna capacitance. C5 is adjusted so that the volume oscillator's frequency is equal to X1's resonant frequency of 455 kHz with the hand away from antenna A1.
For the pitch oscillators, L is 1 mH, Ca is 1000 pF, Cb is 330 pF, and Cc is the A2 antenna capacitance (for the variable oscillator) or the value of the C24 pitch-zeroing capacitor (for the reference oscillator). Each of the pitch oscillator frequencies are typically 310 kHz.
As in any heterodyne theremin, an essential requirement is that the two pitch oscillators are very close in frequency, so that an audible tone can be produced. Optimally, the theremin should provide a "zero-beat" condition with C24 set to its mid-capacitance point, with the hand away from the pitch antenna. A low frequency audible output should result when the hand is brought within 12 to 24 inches of the pitch antenna, increasing in frequency as the hand becomes closer.
In most instances, component tolerances will cause the pitch oscillator frequencies to be too far apart to produce an audible tone, so a calibration procedure must be performed. To do this, measure the frequency of the pitch reference oscillator by connecting a counter to the cathode of V6A, and record that frequency. Then, move the counter to the cathode of V4A, which is the output of the variable oscillator. With variable capacitor C24 set to midpoint, and antenna A2 clear of objects, adjust the frequency of the pitch variable oscillator to match the recorded frequency, with one or more of the following methods:
Volume circuit calibration is performed by observing the RF voltage
waveform
at V1B's cathode. With C5 approximately centered and the hand away from
A1,
the waveform amplitude should peak, indicating volume oscillator
resonance
with X1. This corresponds to the center frequency of X1, which is
455 kHz.
If this condition can not be obtained, then the volume oscillator's
frequency
may be adjusted with one or more of the following methods:
To eliminate the necessity for extensive trimming, the capacitors associated with the three oscillator frequency-determining networks (C2, C3, C6; C16, C17; C25, C26) should have ±5% or better tolerances. To ensure good frequency stability, these capacitors should be mica types, and the three oscillator coils, L1, L2, and L3 should be the J.W. Miller 4652 phenolic-core types specified. Capricious substitution of the coils may adversely affect or inhibit the theremin's operation.
Also, for frequency stability, C5 and C24 should be air-variable types. Too much capacitance change per degree of shaft rotation will degrade adjustment resolution. Therefore, a maximum value of 27 pF is recommended. Variable capacitors with a planetary reduction vernier will further enhance resolution. Such capacitors, with 3.85 turns of shaft rotation, are indicated in the schematic, and highly recommended.
The overall frequency of the theremin's operation may be changed with the substitution of frequency-determining components. However, the values indicated, providing approximately 310 kHz in the pitch circuit and 455 kHz in the volume circuit, were selected to prevent AM radio-band interference, while maintaining adequate hand-sensing distances.
The tone control's position has a slight effect on the pitch reference oscillator's frequency. Therefore, changing the tone will require a minor readjustment to pitch zero capacitor C24 for resetting the zero beat. However, this readjustment can be achieved easily.
The power supply is shown on schematic page 3, below. Voltage regulation is not employed in this circuit, since the oscillators exhibit excellent frequency stability with considerable supply variations. The total current drawn from the 50 volt supply is approximately 4 mA. Heater transformer T2 is rated to provide 10 volts RMS for a 1.2 A load. The six tubes use approximately 900 mA of heater current, so T1's actual loaded output is about 11.5 volts RMS, which is adequate for the 12.6 volt-rated 12AU7s or ECC82s. The theremin's parameters stabilize after a brief warm-up period of about three minutes. Thermal coefficients in the circuits have negligible contribution to long-term drift, with parameter readjustment only required due to shifts in the player's stance, or pitch readjustment when the tone setting is altered.
Some builders may wish to use alternative transformers to match their available mains voltage. If different transformers are used, measure the supply's output voltages while the theremin is connected, to ensure that the heater voltage is between 11.5 and 12.6 volts RMS AC, and that the B+ voltage is between 45 and 50 volts, DC.
To reduce the risk of injury, I designed this theremin with a maximum supply of approximately 50 volts, DC, which is considerably less than voltages used in many other vacuum-tube instruments. However, values substantially less than 50 volts can still be dangerous for conditions in which sufficient current is caused to flow through the body. Therefore, 330 pF ceramic capacitors C4 and C15 provide a safety function by preventing the presence of +50 volts on the antennas.
SAFETY NOTICE:
|
|
|
|
| |
|
|
Construction
(back
to contents)
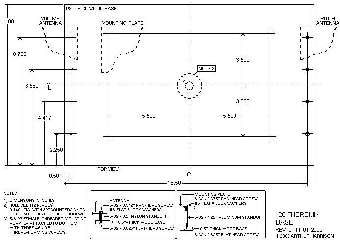
The 126 theremin, illustrated below, is constructed on a 8" x
12" x 1/16"-thick
aluminum chassis plate refered to as the Theremin Mounting Plate . It is attached to a 11" x 17" x 1/2"-thick plywood
Base with four threaded
standoffs. The volume
and pitch Antennas
are 8" x 5 1/2" x 1/16"-thick
aluminum plates that extend from the left and right edges of the base,
respectively. The antennas are separated from the base with 1/2"-long
threaded
nylon standoffs to reduce their mutual capacitance, and connected to
the
circuit with 16 gauge solid bus wire. The wires are connected to the
antennas
with number-6 solder lugs, secured by one of the mounting screws at
each
antenna. The bottom of the base (not shown in the illustration) has an
Atlas Sound type AD-11B threaded microphone stand adapter.
The theremin's components, including two connectors and their brackets, are mounted on the bottom of the theremin mounting plate, with the tube envelopes and the control shafts for C5, C24, and RV1 on the top. The six 3/4" holes for the tube sockets and two 5/8" holes for the variable capacitors can be made with chassis punches (Greenlee types 730BB-3/4 and 730BB-5/8).
Refer to the Component Locations drawing. Screw-mounted Insulated Solder Turret Terminals provide junction points. Where required, component leads are insulated with 16 gauge Teflon® sleeving. Point-to point wiring is used, with 22 gauge, 19-strand Teflon®-insulated hookup wire, and 20 gauge solid tinned-copper bus wire, as required.
Regarding insulated hookup wire, the parts tables specify a variety of colors based upon wire function. Although color differentiation is good practice and recommended for electronic construction, the builder may economize by using only one color.
SAFETY NOTICE:
Wires are anchored to the theremin mounting plate, as required, with adhesive-backed mounts and nylon cable ties. Leave a little slack in the leads of the three coils so that they can be moved with relation to the plate. This technique permits small variations in capacitance that may be used to fine-adjust oscillator frequencies. Keep frequency-determining components C2, C3, C6, C16, C17, C25, C26, L1, L2, and L3 clear of other parts and wires. To prevent audible hum from the heater circuit, twist the heater wires tightly together and route them in a direct manner away from signal paths.
Ceramic filter X1 has relatively delicate, closely-spaced
leads, nominally
intended for printed-circuit board installation. To adapt X1, it is
recommended
that its center lead be soldered directly to the top of its respective
turret
terminal, and that short pieces of 20 gauge bus wire are soldered to
the
outside leads at right angles, and extended to the tops of their turret
terminals. A version of the filter is also available with
strain-relieved wire leads attached, as Harrison Instruments item
number 99999-5915-126X1-1.
While assembling components onto the theremin mounting plate,
temporarily
attach four pair of long standoffs to the corner holes to protect the
components
from being damaged by the work surface: Four 2 1/2" female-female standoffs
on the top side of the plate, and four 2" male/female standoffs on the
bottom.
Each male/female standoff has a stud inserted through its hole to
engage
a standard spacer. Once all the parts have been assembled onto the
plate,
the temporary standoffs may be removed, and replaced with four 1
1/4"-long
standoffs which are used to attach the plate to the wood base. Note:
Apply a small amount of wax or oil to the male thread of the
male/female standoffs before coupling them with the female standoffs,
to prevent seizing.
Ground wiring may be "daisy-chained" in any convenient manner. Run a wire from each chain, as well as terminal 1 of power connector J1, to a single point on the theremin mounting plate. The J2 output jack is a fully-insulated type, to prevent audible hum from ground loop currents. Its sleeve terminal connects to the single-point ground, as well. Variable capacitors C5 and C24 have their "rotor" terminals connected to their frames, and therefore become electrically grounded by their mechanical attachments to the mounting plate. Each variable capacitor has four solder lugs that are redundant "stator" terminals. On each capacitor, only one of these terminals is connected to V1A's and V6B's plate, respectively.
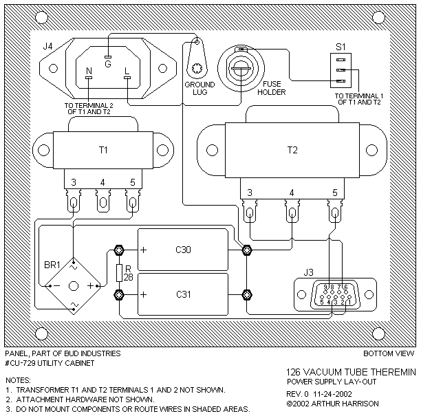
For safety, power supply components J3, F1, SW2, T1, T2, BR1, C30, C31, and R28 are fully enclosed in a 5" x 6" x 4" aluminum utility cabinet, separate from the main theremin assembly. J4 is an AC power inlet that mates with a 3-wire, grounded cord identical to the type used for most computers and test equipment. For construction simplicity, all the power supply parts are mounted to the inside surface of the utility cabinet's top panel, as illustrated in the Power Supply Lay-out drawing. Specific dimensions for the top panel are shown in the Power Supply Mounting Plate Hole Locations drawing. Note that the top panel is fabricated from 0.062"-thick aluminum, which replaces one of the two thinner, 0.040"-thick panels provided with the cabinet.
Adhesive-backed mounts and nylon cable ties are used to secure wires as required. The AC power inlet, fuse holder, switch, and transformer terminals are insulated with 1/8", 1/4, or 1/2"-diameter heat-shrink tubing, as required. Use the 1/2"-diameter tubing as an overall insulator for the rear of the fuse holder. Four self-adhesive feet are applied to the cabinet's bottom panel.
A four-wire extension cable with 9-pin "D" subminiature
connectors connect
the theremin assembly and power supply together. The length of the
extension
is optional, with about four feet being typical for extending from the
floor
to the top of a stand.
SAFETY NOTICES:
To prevent shock hazards from
lethal mains voltage:
Do
not defeat the grounding or fuse provisions shown in the schematics.
Test Voltages
(back
to contents)
The following voltages are from the 126 theremin prototype,
measured with
a Tektronix type 485 oscilloscope, and a 10 Mohm, 10X-attenuation probe.
Due to
variations in component tolerances, lay-out, and test conditions, user values may be different from those indicated
Unless otherwise noted:
|
- |
TEST POINT |
NOTE |
VALUE |
| - | |||
| B+ | BR1+ |
- |
+45 VDC with less than 40 mV P-P of both 60 Hz and RF |
| - | |||
| V1A plate | V1-1 | - | 38 V P-P RF sine wave centered at +44.5 VDC |
| V1A grid | V1-2 | - | 0 V (ground) |
| V1A cathode | V1-3 | - | 10 V P-P RF sine wave centered at +2.7 VDC |
| V1B plate | V1-6 | 1 |
4.0 V P-P RF sine wave centered at +24.3 VDC |
| V1B grid | V1-7 | 1 | 1.6 V P-P RF sine wave centered at +2.9 VDC |
| V1B cathode | V1-8 | 1 | 1.1 V P-P RF sine wave centered at +2.5 VDC |
| - | |||
| V2A plate | V2-1 | - | 0 V (ground) |
| V2A grid | V2-2 | - | 0 V (ground) |
| V2A cathode | V2-3 | 1 |
4.3 V P-P RF sine wave with positive peak at +8 VDC, negative peak at -0.24 VDC |
| V2B plate | V2-6 | 1 | 4.3 V P-P RF sine wave with positive peak at +8 VDC, negative peak at -0.24 VDC |
| V2B grid | V2-7 | 1 | 4.3 V P-P RF sine wave with positive peak at +8 VDC, negative peak at -0.24 VDC |
| V2B cathode | V2-8 | 1 |
+ 4.5 VDC |
| - | |||
| V3A plate | V3-1 |
- |
Refer to table at the beginning of this section |
| V3A grid | V3-2 | 2 | Refer to table at the beginning of this section |
| V3A cathode | V3-3 | - | Refer to table at the beginning of this section |
| V3B plate | V3-6 |
5 |
Refer to table at the beginning of this section |
| V3B grid | V3-7 |
- |
Refer to table at the beginning of this section |
| V3B cathode | V3-8 |
- |
Refer to table at the beginning of this section |
| V4A plate | V4-1 | 3 | +44.9 VDC with less than 40 mV P-P of both 60 Hz and RF |
| V4A grid | V4-2 | 3, 6 | 6.5 VDC P-P RF sine wave centered at 0 V |
| V4A cathode | V4-3 | 3 | 3.7 VDC P-P RF sine wave centered at +2.1 VDC |
| V4B plate | V4-6 | 3 | 25 VDC P-P RF sine wave centered at +45.0 VDC |
| V4B grid | V4-7 | 3 | 0 V (ground) |
| V4B cathode | V4-8 | 3 | 3.6 V P-P RF sine wave centered at +3.3 VDC |
| - | |||
| V5A plate | V5-1 | - | +44.9 VDC with less than 40 mV P-P of both 60 Hz and RF |
| V5A grid | V5-2 | - | 3.6 V P-P RF sine wave centered at +2.2 V |
| V5A cathode | V5-3 | - | 2.8 V P-P RF sine wave centered at +3.2 V |
| V5B plate | V5-6 | 2 |
0.7 V P-P audio wave with 100 mV RF modulation. |
| V5B grid | V5-7 | - | 3.5 V P-P RF sine wave centered at 0 V |
| V5B cathode | V5-8 | - | 2.7 V P-P heterodyne wave centered at +2.5 V |
| - | |||
| V6A plate | V6-1 | 4 | +44.9 VDC with less than 40 mV P-P of both 60 Hz and RF |
| V6A grid | V6-2 |
4, 6 | 6.7 V P-P RF sine wave centered at 0 V |
| V6A cathode | V6-3 | 4 | 4.5 V P-P RF sine wave centered at +2.8 V |
| V6B plate | V6-6 | 4 | 29 V P-P RF sine wave centered at +44.5 V |
| V6B grid | V6-7 | 4 | 0 V (ground) |
| V6B cathode | V6-8 | 4 | 4.5 V P-P RF sine wave centered at +4 V |
These are two photos of the 126 Theremin prototype, courtesy of Jack Hertz.
![]() |
![]() |
Johannes Graenzer of Bayreuth, Germany constructed this 126 Theremin
with monopole antennas for his university project. He reports that the
instrument worked "immediately... and sounds nearly as good as C.
Rockmore's if you play it by making a little vibrato..."

David Hunter of Toronto, Canada, built this 126 Theremin. The power
supply is in the base, along with a speaker and amplifier.

Christopher Billey submitted this picture of his 126 Theremin. His
version uses traditional antennas. It is his first vacuum tube
theremin, and he reports that he is "very pleased with pitch range and
sound quality."

Brendan Pope, an 18 year-old student from North Carolina, built this
version of the 126 Theremin for his school project. It is the first
theremin he has ever owned or built. Brendon relates "Its sound is
supreme to any other homemade theremin I've heard."

Tomislav Ribicic of Croatia built this beautiful version of the 126
Theremin. The custom shellacked and waxed wood cabinet is topped by a
stainless steel chassis plate. Traditional rod and loop antennas were
used. Tomisalv reports that the theremin "sounds fabulous." He plans to
install the instrument in the Caffe Jazz Tunel in Rijeka.
Yaroslav Sadovskiy of Moscow, Russia built this amazing version of the 126 Theremin. The six vacuum tubes are illuminated by LEDs, and the legends, laser cut into stainless steel plate, are likewise illuminated. Yaroslav reports good pitch sensing distance with the telescoping antenna, which also serves to fine-tune the theremin's zero in lieu of vernier capacitors. The wood sides add a "touch of vintageness," per Yaroslav, who also reports that the 126 "has the pure, classic theremin sound." The author is very pleased to have created this wonderful 126 in the city where Leon Theremin worked for a decade, at the Moscow Conservatory of Music.
|
|
|
|
|
|
Eric Reiswig from Canada built this
excellent 126 Theremin with traditional loop and rod antennas
fabricated from 3/8-inch diameter brass tubing. He incorporated the use
of an IC reversing circuit to permit optional "closer-for-softer"
volume response, and has expressed great satisfaction with the
instrument's sound qualities.
![]() |
![]() |
Jeremy Merrill constructed this beautiful 126 Theremin in a wormy chestnut cabinet with a stainless steel chassis inset. He reports that the tone is excellent, and that his success has inspired him to build additional vacuum tube projects. The antennas are copper tubing, and the stand was adapted from a lamp.
This wonderful rendition of the 126 is named The Spheremin
by its creator, Francesco Zuddas of Monfalcone, Italy. Francesco
relates that two of his friends, both violinists, played the
instrument, and found it to be amazing. Francesco used DC
switching power supplies of 12 and 48VDC to power his design, with
excellent results.
James Means produced this fine 126 Theremin and reports that it sounds "great through his Fender Twin Reverb amp." The enclosure is reclaimed wood from furniture drawers.
![]() |
![]() |
![]() |
Guy Pasquet from the town of Joigny in the Burgandy region of France built this accurate version of the 126 Theremin. Guy is a veteran of electronics, born in 1927.
![]() |
![]() |
![]() |
![]() |


![]() |
![]() |
![]() |
| Table 1 | Theremin Assembly (schematic-designated items) |
| Table 2 | Power Supply Assembly (schematic-designated items) |
| Table 3 | Theremin Assembly (hardware items) |
| Table 4 | Power Supply Assembly (hardware items) |
| Table 5 | Base Assembly |
| Table 6 | Cable Assembly |
| Table 7 | Fixture Items |
A separate line item appears for each component in the assembly, and many common item types such as screws, nuts and washers
appear on more than one line. † = item appears on more than one
line.
Table 7 indicates temporary items used to aid construction.
A/R = as required
NOTE 1: Quantity 3, McMaster-Carr stock
number 89015K37, provides enough material for both antennas, theremin mounting plate, and
power supply mounting plate.
NOTE 2: The following manufacturers
make transformers similar to the Signal Transformer Company types
indicated in the table:
Triad Magnetics: http://www.triadmagnetics.com/home.htm.
Refer to their "Quick Pack" (TM) product line.
Magnetic Coils, Inc.: http://www.mcitransformer.com/.
Refer to their "Quick Connect Power Transformers" product line.
Hammond Manufacturing: http://www.hammondmfg.com/.
Refer to their "186/187" product line.
NOTE 3: Toko part number ##AHCFM2-455DL, specified in previous publications, is an acceptable substitute.
NOTE 4: A version of the filter is also available with strain-relieved wire leads attached, as Harrison Instruments item number 99999-5915-126X1-1.
NOTE 5: Where no cost value appears, the cost has been included in a previous line for the same type of item.
To prevent ordering errors, the initial appearance of any particular
type of item may include the total quantity required for the project.
Builders are advised to review orders carefully to ensure that the correct quantities of each item are ordered.
NOTE 6: As a cost-saving measure, it is
suggested that black 22 gauge hookup wire is used in substituiton of
the other colors specified.
Cost values for hookup wire other than black is therefore not indicated.
NOTE 7: As a cost-saving measure, it is suggeted
that the 16 gauge antenna lead-in bus wire is substituted with several
twisted strands of the
20 gauge bus wire (line 337). A cost value for 16 gauge bus wire is therefore not indicated.
| LINE | ITEM | DESCRIPTION | VALUE | MANUFACTURER |
MANUFACTURER PART |
SUPPLIER | SUPPLIER STOCK NUMBER |
QTY/ COST, USD (2 APR 2022) |
| 101 | A1,A2 | ANTENNA (PER DRAWING) (SEE NOTE 1, ABOVE) |
. | . | . | MCMASTER-CARR | 89015K37 | 3† 68.46 |
| 102 | C1, C14, C20, C23, C32 |
ELECTROLYTIC CAPACITOR |
10 uF ±20%, 100 V, 105 °C, RADIAL, 6.3 mm D x 11 mm L |
NICHICON | UPW2A100MED | MOUSER ELECTRONICS |
647-UPW2A100MED | 5 2.20 |
| 103 | C2, C17, C26 | MICA CAPACITOR |
330 pF ±5%, 500 V |
CORNELL DUBILIER |
CD19FD331JO3 | MOUSER ELECTRONICS |
5982-19-500V330 | 3 11.34 |
| 104 | C3 | MICA CAPACITOR |
100 pF ±5%, 500 V |
CORNELL DUBILIER |
CD15FD101JO3 | MOUSER ELECTRONICS |
5982-15-500V100 | 1 2.61 |
| 105 | C4, C15 | CERAMIC CAPACITOR |
330 pF ±10%, X7R, 200 V, RADIAL |
AVX | CK05BX331K | MOUSER ELECTRONICS |
581-CK05BX331K | 2 1.96 |
| 106 | C5, C24 | VARIABLE CAPACITOR |
6.2-27 pF, 8:1 VERNIER |
HARRISON INSTRUMENTS |
99999- 5910-7-27R0 |
NO STOCK |
99999-5910-7-27R0 |
2 52.50 |
| 107 | C6 | MICA CAPACITOR |
10 pF ±5%, 500 V |
CORNELL DUBILIER |
CD10CD100DO3 | MOUSER ELECTRONICS |
5982-10-500V10 | 1 4.52 |
| 108 | C7, C8, C21, C22 | CERAMIC CAPACITOR |
1000 pF ±10%, X7R, 200 V, RADIAL |
AVX | C052C102K2R5TA7301 | MOUSER ELECTRONICS |
80-C052C102K2R5TA-TR | 4 2.04 |
| 109 | C9, C10, C11, C13, C18, C19, C27, C28, C29 |
METALIZED POLYESTER CAPACITOR |
0.01 uF
±5%, 400 V, AXIAL |
VISHAY/ ROEDERSTEIN |
MKT1813310404 | MOUSER ELECTRONICS |
75-MKT1813310404 | 9 6.80 |
| 110 |
C12 |
ELECTROLYTIC CAPACITOR |
100 uF ±20%, 100 V, 85 °C, RADIAL, 10 mm D x 20 mm L |
NICHICON | 647-UVR2A101MPD |
MOUSER ELECTRONICS |
647-UVR2A101MPD | 1 0.78 |
| 111 | C16, C25 | MICA CAPACITOR |
1000 pF ±5%, 500 V |
CORNELL DUBILIER |
CD19FD102JO3 | MOUSER ELECTRONICS |
5982-19-500V1000 | 2 8.00 |
| 112† | J1 | CONNECTOR | 9 POSITION, MALE CONTACTS, D-SUBMINIATURE |
AMPHENOL FCI | DE09P064HTXLF | MOUSER ELECTRONICS |
649-DE09P064HTXLF | 1† 0.79 |
| 113 | J2 | PHONE JACK, WITH HARDWARE | 1/4", INSULATED, MONOPHONIC |
SWITCHCRAFT | N111X | MOUSER ELECTRONICS |
502-N-111X | 1 3.19 |
| 114 | L1, L2, L3 |
INDUCTOR, THREE-SECTION, UNIVERSAL "PIE" WOUND |
1 mH ±5%, 19 ohm Q = 59 @ 0.25MHz, SRF = 3.7MHz MINIMUM |
J.W. MILLER | 4652 | NO STOCK | 96804-4652 | 3 44.25 |
| 115 | R1, R13 R18, R23 |
RESISTOR | 5600 ohm ±5%, 1/2W, CARBON FILM |
XICON | 293-5.6K-RC | MOUSER ELECTRONICS |
293-5.6K-RC | 4 0.40 |
| 116 | R2 | RESISTOR | 33.2 kohm ±1%, ±100PPM/°C 1/2W, METAL FILM |
VISHAY BEYSCHLAG / DRALORIC / BC COMPONENTS | SFR25H0003322FR500 |
MOUSER ELECTRONICS |
594-5053HD33K20F | 1 0.19 |
| 117 | R3, R30 |
RESISTOR | 390 kohm ±5%, 1/2W, CARBON FILM |
XICON | 293-390K-RC | MOUSER ELECTRONICS |
293-390K-RC | 2 0.20 |
| 118 | R4, R5, R7, R8, R12, R15 R17, R25 |
RESISTOR | 1 Mohm ±5%, 1/2W, CARBON FILM |
XICON | 293-1M-RC | MOUSER ELECTRONICS |
293-1M-RC | 8 0.80 |
| 119 | R6 | RESISTOR | 2000 ohm ±5%, 1/2W, CARBON FILM |
XICON | 293-2K-RC | MOUSER ELECTRONICS |
293-2K-RC | 1 0.10 |
| 120 | R9, R10, R11, R32 |
RESISTOR | 10 kohm ±5%, 1/2W, CARBON FILM |
XICON | 293-10K-RC | MOUSER ELECTRONICS |
293-10K-RC | 4 0.40 |
| 121 | R14, R24 | RESISTOR | 39.2 kohm ±1%, ±100PPM/°C 1/2W, METAL FILM |
VISHAY BEYSCHLAG / DRALORIC / BC COMPONENTS | SFR25H0003922FR500 | MOUSER ELECTRONICS |
594-5053HD39K20F | 2 0.38 |
| 122 | R16, R26, R27 | RESISTOR | 3900 ohm ±5%, 1/2W, CARBON FILM |
XICON | 293-3.9K-RC | MOUSER ELECTRONICS |
293-3.9K-RC | 3 0.30 |
| 123 | R19 | RESISTOR | 100 kohm ±5%, 1/2W, CARBON FILM |
XICON | 293-100K-RC | MOUSER ELECTRONICS |
293-100K-RC | 1 0.10 |
| 124 | R20, R21, R22, R31 |
RESISTOR | 39 kohm ±5%, 1/2W, CARBON FILM |
XICON | 293-39K-RC | MOUSER ELECTRONICS |
293-39K-RC | 4 0.40 |
| 125 | R29 | RESISTOR | 18 kohm ±5%, 1/2W, CARBON FILM |
XICON | 293-18K-RC | MOUSER ELECTRONICS |
293-18K-RC | 1 0.10 |
| 126 | RV1 | POTENTIOMETER, WITH HARDWARE |
50 kohm ±20%, 0.25 WATT, CARBON COMPOSITION, AUDIO TAPER, WITH MOUNTING NUT AND FLAT WASHER |
ALPHA | RV24AF-10- 15R1-A50K-3 |
MOUSER ELECTRONICS |
31VJ405-F3 | 1 1.94 |
| 127† | SW1 |
SWITCH, TOGGLE, WITH HARDWARE |
6 A, 250 V, SPDT |
NKK |
M2012SS1W01 | MOUSER ELECTRONICS |
633-M201201 | 1† 4.12 |
| 128 | V1, V2, V3 V4, V5, V6 |
VACUUM TUBE, DUAL TRIODE |
. | TESLA | ECC82 | ANTIQUE ELECTRONICS SUPPLY |
T-12AU7-JJ | 6 99.60 |
| 129 | X1 | CERAMIC FILTER (SEE NOTE 3 AND NOTE 4, ABOVE) |
UNLOADED fo = 462 kHz ±2 kHz, 3dB BDW = 10 kHz ±3 kHz, RIPPLE = 0 dB, MAX. INSERTION LOSS = 5 dB Zin = 3 kohm Zout = 3 kohm |
MURATA SIGNAL CONDITIONING PRODUCTS |
SFULA455KU2A-B0 | NO STOCK | 99999-5915-126X1 | 1 17.00 |
| LINE | VALUE | MANUFACTURER | MANUFACTURER PART NUMBER | SUPPLIER | SUPPLIER STOCK NUMBER | QTY/ COST, USD (2 APR 2022) |
||
| 201 | BR1 | RECTIFIER BRIDGE | 6 A, 200 V |
RECTRON | BR62 | MOUSER ELECTRONICS |
583-BR62 | 1 0.99 |
| 202 | C30, C31 | ELECTROLYTIC CAPACITOR | 330 uF
±20%, 100 V, 85 °C, AXIAL, 13mm D x 31mm L |
CDE / ILLINOIS CAPACITOR |
337TTA100M | MOUSER ELECTRONICS |
598-337TTA100M | 2 6.34 |
| 203 | F1 | CARTRIDGE FUSE | 1/8 A, 250 V, SLOW-ACTING, 0.25" D x 1.25" L |
LITTELFUSE | 576-0313.125MXP | MOUSER ELECTRONICS |
576-0313.125MXP | 1 2.82 |
| 204† | J3 | CONNECTOR | 9 POSITION, FEMALE CONTACTS, D-SUBMIN- IATURE |
AMPHENOL FCI | DE09S064TLF | MOUSER ELECTRONICS |
649-DE09S064TLF | 1† 0.67 |
| 205 | J4 | AC POWER INLET | 250 VAC, 15 A, CLASS 1 |
DGS PRO-AUDIO | 161-0707-1-E | MOUSER ELECTRONICS |
161-0707-1-E | 1 1.04 |
| 206 | R28 | RESISTOR | 100 ohm ±5%, 1/2 W, CARBON FILM |
XICON | 293-100-RC | MOUSER ELECTRONICS |
293-100-RC | 1 0.10 |
| 207† | SW2 |
SWITCH, TOGGLE, WITH HARDWARE |
6 A, 250 V, SPDT |
NKK | M2012SS1W01 | MOUSER ELECTRONICS |
633-M201201 | 1† 4.12 |
| 208 | T1 | TRANSFORMER
(SEE NOTE 2, |
PRIMARY: 120 V, 60Hz SECONDARY: 28 V, 85mA |
BEL SIGNAL TRANSFORMER | 241-3-28 | MOUSER ELECTRONICS |
530-241-3-28 | 1 12.39 |
| 209 | T2 | TRANSFORMER
(SEE NOTE 2, |
PRIMARY: 120 V, 60 Hz SECONDARY: 10 V, 1.2 A |
BEL SIGNAL TRANSFORMER | 241-5-10 | MOUSER ELECTRONICS |
530-241-5-10 | 1 14.69 |
| LINE | ITEM | DESCRIPTION | MANUFACTURER |
MANUFACTURER PART |
SUPPLIER | SUPPLIER STOCK NUMBER |
QTY/ COST, USD (2 APR 2022) |
| 301 | THEREMIN MOUNTING PLATE | (PER DRAWING) | . | . | MCMASTER-CARR | 89015K37 | 1† |
| 302 | STANDOFF, THEREMIN MOUNTING PLATE | 6-32 x 1.25" L, HEXAGONAL, ALUMINUM |
KEYSTONE | 1818 | MOUSER ELECTRONICS |
534-1818 | 4 4.20 |
| 303 | MACHINE SCREW, STANDOFF, THEREMIN MOUNTING PLATE | PAN HEAD, SLOTTED, 6-32 x 0.375", STAINLESS STEEL |
. | . | MCMASTER-CARR | 91792A146 (PACKAGE OF 100) |
4 6.52 |
| 304† | FLAT WASHER, STANDOFF, THEREMIN MOUNTING PLATE | #6, 0.312" O.D., STAINLESS STEEL |
. | . | MCMASTER-CARR | 98019A314 (PACKAGE OF 250) |
4† 14.84 |
| 305† | LOCK WASHER, STANDOFF, THEREMIN MOUNTING PLATE | #6 SPLIT-RING, 0.250" O.D., STAINLESS STEEL |
. | . | MCMASTER-CARR | 92146A540 (PACKAGE OF 100) |
4† 1.78 |
| 306 | BRACKET, OUTPUT JACK | (PER DRAWING) | . | . | MCMASTER-CARR | 8199K13 | 1 33.01 |
| 307† | MACHINE SCREW, BRACKET, OUTPUT JACK | PAN HEAD, SLOTTED, 4-40 x 0.312", STAINLESS STEEL |
. | . | MCMASTER-CARR | 91792A107 (PACKAGE OF 100) |
2† 5.13 |
| 308† | FLAT WASHER, BRACKET, OUTPUT JACK | #4, 0.250" O.D., STAINLESS STEEL |
. | . | MCMASTER-CARR | 98019A309 (PACKAGE OF 500) |
2† 15.57 |
| 309† | LOCK WASHER, BRACKET, OUTPUT JACK | #4 SPLIT-RING, 0.209 O.D., STAINLESS STEEL |
. | . | MCMASTER-CARR | 92146A530 (PACKAGE OF 100) |
2† 1.83 |
| 310† | NUT, BRACKET, OUTPUT JACK | HEX, 4-40 x 0.250", STAINLESS STEEL |
. | . | MCMASTER-CARR |
91841A005 (PACKAGE OF 100) |
2† 3.89 |
| 311 | BRACKET, POWER CONNECTOR |
(MODIFIED PER DRAWING) |
KEYSTONE | 621 | MOUSER ELECTRONICS |
534-621 | 2 0.84 |
| 312† | MACHINE SCREW, BRACKET, POWER CONNECTOR | PAN HEAD, SLOTTED, 4-40 x 0.250", STAINLESS STEEL |
. | . | MCMASTER-CARR | 91792A106 (PACKAGE OF 100) |
2† 4.79 |
| 313† | FLAT WASHER, BRACKET, POWER CONNECTOR | #4, 0.250" O.D., STAINLESS STEEL |
. | . | MCMASTER-CARR | 98019A309 (PACKAGE OF 500) |
2† (NOTE 5) |
| 314† | LOCK WASHER, BRACKET, POWER CONNECTOR | #4 SPLIT-RING, 0.209 O.D., STAINLESS STEEL |
. | . | MCMASTER-CARR | 92146A530 (PACKAGE OF 100) |
2† (NOTE 5) |
| 315† | JACK SCREW WITH HARDWARE, POWER CONNECTOR | 4-40, 0.250" L STUD |
KEYSTONE | . | MOUSER ELECTRONICS |
534-7229 |
2† (NOTE 5) |
| 316† | TERMINAL | INSULATED, SOLDER TURRET, 4-40 INTERNAL THREAD |
WEARNES CAMBION |
572-4814-01-05-16 | BISCO INDUSTRIES |
572-4814-01-05-16 | 53† 119.25 |
| 317† | MACHINE SCREW, TERMINAL | PAN HEAD, SLOTTED, 4-40 x 0.250", STAINLESS STEEL |
. | . | MCMASTER-CARR | 91792A106 (PACKAGE OF 100) |
49† (NOTE 5) |
| 318† | FLAT WASHER, TERMINAL | #4, 0.250" O.D., STAINLESS STEEL |
. | . | MCMASTER-CARR | 98019A309 (PACKAGE OF 500) |
49† (NOTE 5) |
| 319† | LOCK WASHER, TERMINAL | #4 SPLIT-RING, 0.209 O.D., STAINLESS STEEL |
. | . | MCMASTER-CARR | 92146A530 (PACKAGE OF 100) |
49† (NOTE 5) |
| 320 | SOCKET, TUBE | 9-PIN, MINIATURE, WITH SHIELD RETAINER, 0.750" DIAMETER MTG HOLE, TOP-MOUNTED |
BELTON | VT-9-ST-C | TUBE DEPOT | SK-B-VT9-ST-C | 6 19.50 |
| 321† | MACHINE SCREW, TUBE SOCKET | PAN HEAD, SLOTTED, 4-40 x 0.312", STAINLESS STEEL |
. | . | MCMASTER-CARR | 91792A107 (PACKAGE OF 100) | 12† (NOTE 5) |
| 322† | FLAT WASHER, TUBE SOCKET | #4, 0.250" O.D., STAINLESS STEEL |
. | . | MCMASTER-CARR | 98019A309 (PACKAGE OF 500) |
12† (NOTE 5) |
| 323† | LOCK WASHER, TUBE SOCKET | #4 SPLIT-RING, 0.209 O.D., STAINLESS STEEL |
. | . | MCMASTER-CARR | 92146A530 (PACKAGE OF 100) |
12† (NOTE 5) |
| 324† | NUT, TUBE SOCKET | HEX, 4-40 x 0.250", STAINLESS STEEL |
. | . | MCMASTER-CARR |
91841A005 (PACKAGE OF 100) |
12† (NOTE 5) |
| 325 | MACHINE SCREW, VARIABLE CAPACITOR | PAN HEAD, SLOTTED, 6-32 x 0.250", STAINLESS STEEL |
. | . | MCMASTER-CARR | 91792A144 (PACKAGE OF 100) |
4 5.97 |
| 326† | FLAT WASHER, VARIABLE CAPACITOR | #6, 0.312" O.D., STAINLESS STEEL |
. | . | MCMASTER-CARR | 98019A314 (PACKAGE OF 250) |
4† (NOTE 5) |
| 327† | LOCK WASHER, VARIABLE CAPACITOR | #6 SPLIT-RING, 0.250" O.D., STAINLESS STEEL |
. | . | MCMASTER-CARR | 92146A540 (PACKAGE OF 100) |
4† (NOTE 5) |
| 328 | KNOB, WITH SET SCREW | 25/32" D, 15/32" H, FOR 0.250" SHAFT, PHENOLIC, BLACK |
DAVIES | 1100 | MOUSER ELECTRONICS |
5164-1100 | 3 2.85 |
| 329† | LUG, GROUNDING | #4, INTERNAL TOOTH, 0.63" x 0.31" |
KEYSTONE | 908 | MOUSER ELECTRONICS |
534-908 | 2† 0.42 |
| 330† | MACHINE SCREW, LUG, GROUNDING | PAN HEAD, SLOTTED, 4-40 x 0.250", STAINLESS STEEL |
. | . | MCMASTER-CARR | 91792A106 (PACKAGE OF 100) |
1† (NOTE 5) |
| 331† | FLAT WASHER, LUG, GROUNDING | #4, 0.250" O.D., STAINLESS STEEL |
. | . | MCMASTER-CARR | 98019A309 (PACKAGE OF 500) |
1† (NOTE 5) |
| 332† | NUT, LUG, GROUNDING | HEX, 4-40 x 0.250", STAINLESS STEEL |
. | . | MCMASTER-CARR |
91841A005 (PACKAGE OF 100) |
1† (NOTE 5) |
| 333† | WIRE, HOOKUP, DC RETURN | BLACK, 22 GAUGE, TEFLON® INSULATED, 100' ROLL |
WEICO WIRE | M16878/4BFE-0 | WEICO WIRE & CABLE | 2122/19-BLACK (ROLL OF 100') |
A/R† 140.46 |
| 334† | WIRE, HOOKUP, B+ | RED, 22 GAUGE, TEFLON® INSULATED, 100' ROLL |
WEICO WIRE | M16878/4BFE-2 | WEICO WIRE & CABLE | 2122/19- RED (ROLL OF 100') |
A/R† (NOTE 6) |
| 335 | WIRE, HOOKUP, SIGNAL | BLUE, 22 GAUGE, TEFLON® INSULATED, 100' ROLL |
WEICO WIRE | M16878/4BFE-6 | WEICO WIRE & CABLE | 2122/19- BLUE (ROLL OF 100') |
A/R (NOTE 6) |
| 336† | WIRE, HOOKUP, HEATER | GRAY, 22 GAUGE, TEFLON® INSULATED, 100' ROLL |
WEICO WIRE | M16878/4BFE-8 | WEICO WIRE & CABLE | 2122/19- GRAY (ROLL OF 100') |
A/R† (NOTE 6) |
| 337† | WIRE, BUS | 20 GAUGE, TINNED COPPER, 100' ROLL |
WEICO WIRE | 9020 | WEICO WIRE & CABLE | 9020 (ROLL OF 100') |
A/R† 42.61 |
| 338 | WIRE, BUS, ANTENNA LEAD-IN | 16 GAUGE, TINNED COPPER, 100' ROLL |
WEICO WIRE | 9016 | WEICO WIRE & CABLE | 9016 (ROLL OF 100') |
A/R (NOTE 7) |
| 339 | SLEEVING, INSULATION |
16 GAUGE, TEFLON®, 100' ROLL |
ALLEN TECH |
3DPTFE2/4CM5FT |
AMAZON | B073RDFTDV (5' LENGTH) |
A/R 196.06 |
| 340 | LUG, ANTENNA | #6, INTERNAL TOOTH, 0.63" x 0.31" |
KEYSTONE | 914 | MOUSER ELECTRONICS |
534-914 | 2 0.42 |
| 341 | WIRE TIE | NYLON, 3.9" L |
PANDUIT | PLT1M-C | MOUSER ELECTRONICS |
644-PLT1M-C (PACKAGE OF 100) |
A/R 17.24 |
| 342 | ANCHOR, WIRE TIE | NYLON, 1/2" SQ |
PANDUIT | ABM1M-A-M | MOUSER ELECTRONICS |
644-ABM1M-A-M | 5 2.35 |
| LINE | ITEM | DESCRIPTION | MANUFACTURER |
MANUFACTURER PART |
SUPPLIER | SUPPLIER STOCK NUMBER |
QTY/ COST, USD (2 APR 2022) |
| 401 | POWER
SUPPLY MOUNTING PLATE |
(PER DRAWING) | . | . | MCMASTER-CARR | 89015K37 | 1† |
| 402 | UTILITY CABINET, POWER SUPPLY, WITH HARDWARE |
2-PANEL, ALUMINUM, 5" x 6" x 4" |
BUD INDUSTRIES | AU-1029 | MOUSER ELECTRONICS |
563-AU-1029NF | 1 23.10 |
| 403 | FOOT, UTILITY CABINET | 0.81" SQ x 0.3" H, SELF ADHESIVE, GRAY |
3M | SJ-5023GY | MOUSER ELECTRONICS |
517-SJ-5023GY | 4 9.65 |
| 404 | MACHINE SCREW, AC POWER INLET MOUNTING |
FLAT HEAD, SLOTTED, 4-40 x 0.375", STAINLESS STEEL |
. | . | MCMASTER-CARR | 91781A108 FLAT HEAD (PACKAGE OF 100) |
2 4.36 |
| 405† | NUT, AC POWER INLET MOUNTING |
HEX, 4-40 X 0.250", STAINLESS STEEL |
. | . | MCMASTER-CARR | 91841A005 (PACKAGE OF 100) |
2† |
| 406† | FLAT WASHER, AC POWER INLET MOUNTING |
#4, 0.250" 0.D., STAINLESS STEEL |
. | . | MCMASTER-CARR | 98019A309 (PACKAGE OF 500) |
2† |
| 407† | LOCK WASHER, AC POWER INLET MOUNTING |
#4 SPLIT-RING, 0.209" O.D., STAINLESS STEEL |
. | . | MCMASTER-CARR | 92146A530 (PACKAGE OF 100) |
2† |
| 408† | LUG, GROUND | #4, INTERNAL TOOTH, 0.63" x 0.31" |
KEYSTONE | 908 | MOUSER ELECTRONICS |
534-908 |
1† |
| 409† | MACHINE SCREW, LUG, GROUND | PAN HEAD, SLOTTED, 4-40 x 0.250", STAINLESS STEEL |
. 0.25" D x 1.25" L | . | MCMASTER-CARR | 91792A106 (PACKAGE OF 100) |
1† |
| 410† | FLAT WASHER, LUG, GROUND | #4, 0.250" O.D., STAINLESS STEEL |
. | . | MCMASTER-CARR | 98019A309 (PACKAGE OF 500) |
1† |
| 411† | NUT, LUG, GROUND | HEX, 4-40 x 0.250", STAINLESS STEEL |
. | . | MCMASTER-CARR | 91841A005 (PACKAGE OF 100) |
1† |
| 412† | MACHINE SCREW, TRANSFORMER | PAN HEAD, SLOTTED, 6-32 x 0.437", STAINLESS STEEL |
. | . | MCMASTER-CARR | 91792A147 (PACKAGE OF 100) |
4† 6.54 |
| 413† | FLAT WASHER, TRANSFORMER | #6, 0.312 O.D., STAINLESS STEEL |
. | . | MCMASTER-CARR | 98019A314 (PACKAGE OF 250) |
4† |
| 414† | LOCK WASHER, TRANSFORMER | #6 SPLIT-RING, 0.250" O.D., STAINLESS STEEL | . | . | MCMASTER-CARR | 92146A540 (PACKAGE OF 100) |
4† |
| 415† | NUT, TRANSFORMER | HEX, 6-32 x 0.250", SMALL PATTERN, STAINLESS STEEL |
. | . | MCMASTER-CARR | 90730A007 (PACKAGE OF 100) |
4† 5.98 |
| 416† | MACHINE SCREW, BRIDGE RECTIFIER |
PAN HEAD, SLOTTED, 6-32 x 0.437", STAINLESS STEEL |
. | . | MCMASTER-CARR | 91792A147 (PACKAGE OF 100) |
1† |
| 417† | FLAT WASHER, BRIDGE RECTIFIER |
#6, 0.312" 0.D., STAINLESS STEEL |
. | . | MCMASTER-CARR | 98019A314 (PACKAGE OF 250) |
1† |
| 418† | LOCK WASHER, BRIDGE RECTIFIER |
#6 SPLIT-RING, 0.250" O.D., STAINLESS STEEL |
. | . | MCMASTER-CARR | 92146A540 (PACKAGE OF 100) |
1† |
| 419† | NUT, BRIDGE RECTIFIER |
HEX, 6-32 x 0.250", SMALL PATTERN, STAINLESS STEEL |
. | . | MCMASTER-CARR | 90730A007 (PACKAGE OF 100) |
1† |
| 420† | TERMINAL | INSULATED, SOLDER TURRET, 4-40 INTERNAL THREAD |
WEARNES CAMBION |
572-4814-01-05-16 | BISCO INDUSTRIES |
572-4814-01-05-16 |
4† |
| 421† | MACHINE SCREW, TERMINAL |
PAN HEAD, SLOTTED, 4-40 x 0.250", STAINLESS STEEL |
. | . | MCMASTER-CARR | 91792A106 (PACKAGE OF 100) |
4† |
| 422† | FLAT WASHER, TERMINAL |
#4, 0.250" O.D., STAINLESS STEEL |
. | . | MCMASTER-CARR | 98019A309 (PACKAGE OF 500) |
4† |
| 423† | LOCK WASHER, TERMINAL |
#4 SPLIT-RING, 0.209" O.D., STAINLESS STEEL |
. | . | MCMASTER-CARR | 92146A530 (PACKAGE OF 100) |
4† |
| 424† | JACK SCREW WITH HARDWARE, POWER CONNECTOR | 4-40, 0.250" L |
KEYSTONE | 7229 | MOUSER ELECTRONICS |
534-7229 | 2† 1.98 |
| 425† | WIRE, HOOKUP, TRANSFORMER PRIMARY LINE | BLACK, 22 GAUGE, TEFLON® INSULATED, 100' ROLL |
WEICO WIRE | M16878/4BFE-0 | WEICO WIRE & CABLE | 2122/19- BLACK (ROLL OF 100') |
A/R† (NOTE 6) |
| 426† | WIRE, HOOKUP, B+ | RED, 22 GAUGE, TEFLON® INSULATED, 100' ROLL |
WEICO WIRE | M16878/4BFE-2 | WEICO WIRE & CABLE | 2122/19- RED (ROLL OF 100') |
A/R† (NOTE 6) |
| 427 | WIRE, HOOKUP, B+ TRANSFORMER SECONDARY |
YELLOW, 22 GAUGE, TEFLON® INSULATED, 100' ROLL |
WEICO WIRE | M16878/4BFE-4 | WEICO WIRE & CABLE | 2122/19- YELLOW (ROLL OF 100') |
A/R (NOTE 6) |
| 428 | WIRE, HOOKUP, SAFETY GROUND |
GREEN, 22 GAUGE, TEFLON® INSULATED, 100' ROLL |
WEICO WIRE | M16878/4BFE-5 | WEICO WIRE & CABLE | 2122/19- GREEN (ROLL OF 100') |
A/R (NOTE 6) |
| 429† | WIRE, HOOKUP, HEATER TRANSFORMER SECONDARY |
GRAY, 22 GAUGE, TEFLON® INSULATED, 100' ROLL |
WEICO WIRE | M16878/4BFE-8 | WEICO WIRE & CABLE | 2122/19- GRAY (ROLL OF 100') |
A/R† (NOTE 6) |
| 430 | WIRE, HOOKUP, TRANSFORMER PRIMARY NEUTRAL |
WHITE, 22 GAUGE, TEFLON® INSULATED, 100' ROLL |
WEICO WIRE | M16878/4BFE-9 | WEICO WIRE & CABLE | 2122/19- WHITE (ROLL OF 100') |
A/R (NOTE 6) |
| 431† | WIRE, BUS | 20 GAUGE, TINNED COPPER, 100' ROLL |
WEICO WIRE | 9020 | WEICO WIRE & CABLE | 9020 |
A/R† |
| 432 | TUBING, HEAT-SHRINKABLE |
POLYOLEFIN, BLACK, 0.125"O.D., 48" |
3M | FP301 1/8 BLACK | MOUSER ELECTRONICS |
5174-1181 (4' LENGTH) |
A/R 2.97 |
| 433 | TUBING, HEAT-SHRINKABLE |
POLYOLEFIN, BLACK, 0.250"O.D., 48" |
3M | FP301 1/4 BLACK | MOUSER ELECTRONICS |
5174-1141 (4' LENGTH) |
A/R 3.23 |
| 434 | TUBING, HEAT-SHRINKABLE |
POLYOLEFIN, BLACK, 0.500"O.D., 48" |
3M | FP301 1/2 BLACK | MOUSER ELECTRONICS |
5174-1121 (4' LENGTH) |
A/R 3.81 |
| 435 |
HOLDER, FUSE, FOR 0.25" D x 1.25" L FUSE |
BK/HKP-R | BUSSMANN |
BK/HKP-R | MOUSER ELECTRONICS |
504-BK/HKP-R |
1 9.40 |
| LINE | ITEM | DESCRIPTION | MANUFACTURER |
MANUFACTURER PART |
SUPPLIER | SUPPLIER STOCK NUMBER |
QTY/ COST, USD (2 APR 2022) |
| 501 | BASE | (SEE NOTE 2, ABOVE) |
. | . | . | . | 1 14.99 |
| 502 | STANDOFF, ANTENNA |
6-32 x 0.500" L, HEXAGONAL, NYLON |
KEYSTONE | 1903C | MOUSER ELECTRONICS |
534-1903C | 8 6.40 |
| 503† | MACHINE SCREW, ANTENNA |
PAN HEAD, SLOTTED, 6-32 x 0.312", STAINLESS STEEL |
. | . | MCMASTER-CARR | 91792A145 (PACKAGE 0F 100) |
8† |
| 504† | FLAT WASHER, ANTENNA |
#6, 0.312" O.D., STAINLESS STEEL |
. | . | MCMASTER-CARR | 98019A314 (PACKAGE OF 250) |
8† |
| 505† | LOCK WASHER, ANTENNA |
#6 SPLIT-RING, 0.250" O.D., STAINLESS STEEL |
. | . | MCMASTER-CARR | 92146A540 (PACKAGE OF 100) |
8† |
| 506 | MACHINE SCREW, BASE |
FLAT HEAD, SLOTTED, 6-32 x 0.625", STAINLESS STEEL |
. | . | MCMASTER-CARR | 91781A150 FLAT HEAD (PACKAGE OF 100) |
12 6.36 |
| 507 | ADAPTER, MICROPHONE STAND |
1.75" O.D., 0.71" H, 5/8-27 INTERNAL THREAD |
ATLAS SOUND | AD-11B | HARRISON INSTRUMENTS |
99999-AD-11B | 1 9.25 |
| 508 | THREAD-FORMING SCREW, ADAPTER |
PAN HEAD, TYPE A, PHILLIPS, #6 X 1/2", STAINLESS STEEL |
. | . | MCMASTER-CARR | 92470A148 (PACKAGE OF 100) |
3 6.23 |
| LINE | ITEM | DESCRIPTION | VALUE | MANUFACTURER |
MANUFACTURER PART |
SUPPLIER | SUPPLIER STOCK NUMBER |
QTY/ COST, USD (2 APR 2022) |
| 601 | . | CABLE, 4-CONDUCTOR |
4 22-GAUGE, 7 x 30 STRAND TINNED COPPER CONDUCTORS, PVC INSULATED, PVC JACKET, 0.185" O.D. |
BELDEN | 8444 | SHOW ME CABLES |
BELDEN 8444 (12') |
A/R 21.84 |
| 602† | P1 | CONNECTOR, 4-CONDUCTOR CABLE |
9 POSITION, MALE CONTACTS, D-SUBMINIATURE |
AMPHENOL FCI | DE09P064HTXLF | MOUSER ELECTRONICS |
649-DE09P064HTXLF | 1† |
| 603† | P2 | CONNECTOR, 4-CONDUCTOR CABLE |
9 POSITION, FEMALE CONTACTS, D-SUBMINIATURE |
AMPHENOL FCI | DE09S064TLF | MOUSER ELECTRONICS |
649-DE09S064TLF | 1† |
| 604 | . | MALE SCREW LOCK WITH "U" CLIP, CONNECTOR |
4-40, 0.250" L |
TYCO/AMP | 5205980-3 | MOUSER ELECTRONICS |
571-5205980-3 | 2 2.02 |
| 605 | . | HOOD, CONNECTOR |
. | TYCO/AMP | 207467-1 | MOUSER ELECTRONICS |
571-2074671 | 2 15.50 |
| 606 | . | CORD, POWER |
3 18-GAUGE, 41 x 34 STRAND CONDUCTORS, SVT JACKET, 10' L, SHIELDED |
QUALTEK | 312010-01 | MOUSER ELECTRONICS |
562-312010-01 | 1 9.87 |
| LINE | ITEM | DESCRIPTION | VALUE | MANUFACTURER |
MANUFACTURER PART |
SUPPLIER | SUPPLIER STOCK NUMBER |
QTY/ COST, USD (2 APR 2022) |
| 701 | STANDOFF | 6-32 x 2.5" L, HEXAGONAL, ALUMINUM |
. | KEYSTONE | 1825 | MOUSER ELECTRONICS |
534-1825 | 4 6.20 |
| 702 | STANDOFF | 6-32 x 2.0"L, HEXAGONAL, MALE/FEMALE, ALUMINUM |
. | KEYSTONE | 8425 | MOUSER ELECTRONICS |
534-8425 | 4 4.44 |
Drawing
Index
(back
to contents)
| Schematic (page 1) |
Text and drawings ©2002, 2003, 2005, 2008, 2010, 2013, 2014, 2015,
2017, 2019, 2020, 2021, 2022 by Arthur
Harrison
Contact Author